这篇文章搬运自我的b站专栏,原贴传送门
现在我们对 cpu 超频的做法都是提升 cpu 的倍频,但是 cpu 主频=倍频*外频,从这个公式来看提升外频也是可以提高主频的。为什么不超外频?因为随着芯片组功能结构的改变在现在的平台上超外频已经十分困难,但是在老的 775 平台上,超频主要是依靠超外频实现的。
独立的北桥与外频
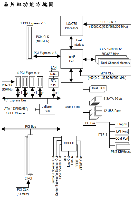
先看一张p43芯片组的架构图
可以发现,CPU只能和北桥芯片交换数据,处理器访问 pcie、内存和挂在南桥上的 sata、usb 等外接必须经过北桥,如果北桥和 CPU、内存和 pcie 的数据交换速度能提高,那么整个系统的运行速度就提高了。北桥与其它部件交换数据的速度就是外频
775 平台北桥的外频预设值有 133MHz,200Mhz,333Mhz,400Mhz。外频可以调节
前端总线FSB
既然外频是北桥与主板上其它部件交换数据的速度,那么CPU和北桥、内存与北桥交换数据的速度就是外频了?一开始确实是这样,但后来由于 DDR(Double Date Rate)和 QDR(Quad Date Rate)技术的出现,电子元件间交换数据的倍率能提高到双倍和四倍,实际的传输速率不再等于外频,而是外频的双倍或四倍。DDR 内存就是双倍的,我们常说的内存频率实际上是内存原本的频率乘以 2。Intel 775平台下处理器与北桥交换数据则是 QDR,也就是说实际传输速度是外频乘以4。
因此有了一个单独的定义:前端总线 FSB(Front Side BUS),它指的就是CPU与北桥交换数据的速度。在775平台下,FSB=外频*4
FSB 概念最先由 AMD 提出,在 K7 和Athlon平台上使用。AMD 和 Intel 两边对 FSB 的定义不一样。
前端总线不仅是 CPU 与外界交换数据的通道,CPU 各个核心之间交换数据也要经过北桥的 FSB 通道。提高 FSB 频率在 775 平台上能带来显著的性能提升,要提高 FSB 频率就需要提高外频。
超外频的时代
由于 775 的 cpu 只有当时价格昂贵的酷睿至尊系列(如 x6800,qx9650 至尊以上型号)开放倍频,酷睿和奔腾 e 系、图吧传奇 771 硬改至强都锁倍频,所以 775 超频主要是超外频。一般的做法是选用 FSB 低于芯片组原生支持的最高 FSB,TDP 较低的 cpu 型号,然后不断调整供电参数拉外频。
可以超频的搭配举例:
- 奔腾 e2xxx(FSB800mhz)配 945(本来最高外频是266,一些945主板支持oc至333外频)
- 酷睿 e系如e8xxx(FSB1333mhz)配 P43(400外频)
- 至强 e54xx(FSB1333mhz)至强 l54xx(FSB1333mhz而且TDP很低)配 p35,g31(按照Intel规范的 g31 的最高外频是 333,但是某些主板能 oc 支持 400 外频)
在这种超频方式下,只要外频没有达到北桥芯片原生支持的最高频率,瓶颈只有 cpu 的体质和供电,超过了原生最高频率可能有外频墙,如 g41 只能到 333mhz p43 到 400mhz。但是对于 p45,p35 而言可以超 400mhz 以上,到了 400MHz 以上就要考虑北桥体质了。
主板好还可以选用功耗大的酷睿 q 系和至强 x 系,但一般不用 fsb 默认就是 1600 的 cpu 如至强 e5462(e5450是 FSB1333mhz 下主频最高的至强,后面的型号都是 fsb1600 的了),这种情况下超频空间较有限。
超频注意事项
1.北桥散热
北桥发热是 775 平台一大痛点,由于 FSB 前端总线老旧的设计,cpu 与其它部件交换数据必须经过北桥,因此发热量巨大,超了外频之后更是。北桥的状况对 775 平台的稳定性有很大影响,过热容易死机,不利于继续提升外频了。超外频一定要注意北桥散热,最好加上小风扇,因超频使北桥过热烧毁的情况在 775 平台有不少。
2.锁定pcie频率,开始时适当降低内存频率
提高外频影响的不仅仅是 CPU,pcie 频率和内存频率也会提高。pcie 频率一般没有必要改变,过高还可能导致显卡损坏。在 bios 可以找到锁定 pcie 频率的选项。
直接超外频也会使内存超频,为了防止内存频率先于 CPU 达到瓶颈,可以调节 FSB:DRAM 比率来适当降低内存频率,CPU 超频稳定后再单独调节内存频率
3.P43和P45的区别
P43 和 P45 都原生支持 400 外频,可以用 FSB1600 MHz 的cpu
两者的差别在于体质。p43 是体质较差的 p45,虽然原生支持 400 外频,但不好再往上超,很多 p43 主板会有外频墙,这个墙一般在比 400 多个十几 MHz 的地方(如技嘉 p43 在 418mhz 左右),过了1mhz 就不能开机了。而且就算没有外频墙限制,p43 本身的体质也不允许继续往上超了,所以 p43 用到 400 外频就够了,更高的外频必须上 p45 或 p35,至于能到多少则要看芯片体质。
高端和低端 p45 的差别主要在供电上(还有mos管和北桥的散热),这决定了主板超外频能力的上限。
整合北桥
虽然提高 FSB 带来的性能提升很大,但外频同时影响 CPU、内存和 pcie,是不能无限提升的。到 775 平台末期时 FSB 前端总线的频率已经达到了瓶颈,继续提高 FSB 已经不现实了。
而且在这种架构下 CPU 访问内存必须要经过北桥,这增大了内存延迟。
此时 AMD 早就用上了 HT 总线,并从 k8 开始将内存控制器集成进 CPU。Intel 也已经受制于 FSB 总线带宽瓶颈,落后的 FSB 必须要抛弃了。
QPI和DMI总线
2008 年,Intel 推出 x58 芯片组,将内存控制器集成到 CPU 内从而使 CPU 可以直接访问内存,并带来了全新的 QPI 总线用来连接CPU和“北桥”,CPU 内各个核心也使用 QPI 总线互联,“北桥”与南桥则用DMI总线互联。FSB 从此成为历史。
x58 从外表上看仍然有北桥芯片,但只作为 pcie 控制器并负责和南桥连接,已经不是传统意义上的北桥了。
x58 由于设计较早没有把北桥所有功能都整合,Intel 随后推出的 1156 平台则完全取消了北桥,CPU集成了原先北桥上的集显和 pcie 控制器,并通过 DMI 总线直接连接南桥,于是北桥永远消失了。集显由于进入 CPU 核心,从此有了一个新名字:核芯显卡
北桥还在时,主板芯片组指的是北桥+南桥的搭配,没有了北桥后主板芯片组便特指原来的南桥(应该不能再称作“组”了吧?),主板于是成了今天的模样。由于负责 IO 的那个芯片(南桥)仍然在主板偏下的位置没有变,南桥这一称呼仍在 DIY 玩家中使用。



